Viridian_EPC.html

Next, when the car-end of the cable is plugged into the car (usually using either a T2 FEMALE - ie with 'sleeves' - plug or a Type 1, T1, or J1772 plug), the car's charger and EPC are directly connected by the PE (earth) conductor and a 4th wire in the cable called the Co-Pilot or 'CP' conductor.  The first thing that happens is that the EPC 'advertises' to the car what the maximum current it can pull through the cable is (see the PP to PE Type 2 plug resistor coding in the paragraph above).  The EPC achieves this by sending a square wave, 1kHz signal down the CP conductor.  The car responds by modifying the square wave's 'duty cycle' (the proportion of signal 'high' to 'low') to tell the EPC/EVSE how much current it requires and also the square wave's peak-to-peak voltage to tell the EPC/EVSE when it is happy to commence charging.  When this signal is made, the EVSE's main contactor - or relay - closes (usually with an very audible 'clunk'), thus connecting the other 2 wires in the cable, NEUTRAL and LIVE, to the mains and charging begins.


Aside from a fault stopping charging, there are several other ways it can happen.  If someone accidentally or deliberately tries to disconnect a T2 plug during charging, you can imagine that with up to nearly 8kW of power going though the connection, if it were interrupted there would be quite an exciting plasma arc created which is obviously not safe.  Also the electronics in everything would have a bit of a fit, potentially damaging them.  To prevent this, the IEC62196 standard states that the male CP pin must be about 10mm shorter than all the others. Thus, if the plug is pulled out of the socket during charging, the CP disconnects first and will immediately shut down the power.


In the case of the T1 plug, there is a locking lever and associated button on the plug which must be activated to remove it from the car.  As soon as this is done, the car charger stops pulling current.


Some T2 EVSE sockets have a solenoid operated locking mechanism installed which locks the T1 (male) plug into the socket when charging power is connected (or even when the plug is inserted and the EVSE switched on, before charging commences).  Equally, some T1 plugs are also lockable, usually using a small padlock inserted though a hole in the button preventing it from being pushed and, therefore, the plug from being withdrawn from it socket.


Lastly, when the car has finished charging, it signals the EVSE by adjusting the peak-to-peak voltage on the CP line to stop supplying power and open the contactor.


I have simplified the description for the purposes of clarity.  If you would like to learn more about it all then there is a good description here...  If you are thinking about making your own EVSE (and saving yourself £200 or so) click here... for a DIY YouTube video made by the charity ZeroCarbonWorld.

Typical Type 1 Plug (J1772)

Typical Type 2 (Male) Plug (Mennekes)

Type 2 (Female) Plug Pinout (3 phase)

Typical Type 2 Plug (Female)

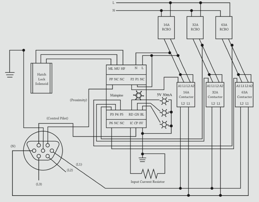
‘Free’ Version Wiring Diagram

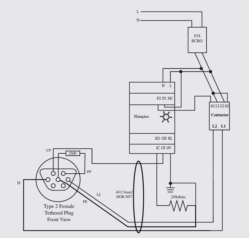
Simple 10A ONLY ‘Tethered’ Portable Type 2 (Female) Version Wiring Diagram


For those of you interested in the subject a typical IEC62196 EVSE works thusly:-


An EVSE is basically a very powerful mains electricity socket with an on/off switch that is, to some extent, automatically controlled.  It connects the mains (230/240VAC) to the EV's charger in a manner whose main criterion is safety of operation - safety to the operator as well as the car (and the mains supply).  Typically, an EVSE will consist of 4 main components:- 1/  an over-current cutoff device, 2/ a ground-fault detection and cutoff device, 3/ a mains power contactor (relay) and 4/ the EPC.


The first 2 are fairly self explanatory and often combined into one, off-the-shelf-available device - called an RCBO.   The first detects an over-current situation eg a short in the car or connecting cable or a fault in the charger and disconnects the mains supply.  The second detects a fault where all the current that is going into the LIVE conductor in the EVSE-to-car cable is not coming back out of the NEUTRAL conductor.  If this is happening the 'missing' current is escaping somewhere (not good!) and the EVSE will disconnect the power.  One (most likely) way of the current escaping, is to earth (eg the charging car becomes immersed in water or the cable is cut) and the EVSE will detect this and, again, shut down safely.  These shutdowns normally occur in less than 100 thousandths of a second (mS), and in the case of an over-current or ground fault trip, less than 30mS.


The EPC is the ‘brains’ behind the device.  It works in concert with the rest of the EVSE, the EVSE-to-car cable and the EV.  Firstly, it is worth explaining what happens when you connect an EV to an EVSE using an IECJ1772/SAE62196 compliant charging cable. Assuming it is a 'free' cable and not 'tethered' or built-in to the EVSE, on plugging in the male, EVSE-end of the cable there is a resistor in this plug (normally called a 'Type 2', T2,  or 'Mennekes' plug, after the plug's first manufacturer) between the PP pin (see diagram) and the PE (earth) pin.  This is checked by the EPC and its resistance tells the EPC how much current it can handle.  This is normally 16 or 32 amps.  In tethered EVSEs, the PP to PE resistor is pre-wired to the EPC according to the tethered cable specification.

EPC’s & IEC 62196 - How it all Works:-


Contact Us...


Email: sales@EVBitz.uk  -  Mob: 07788 138413 


2 Hall Cottage

Isle of Colonsay

Argyll

PA61 7YT

Scotland


UK Registered Private Limited Company

I am not VAT registered so ALL PRICES INCLUDE VAT!